不锈钢箱体系列产品
电缆分接箱系列
高低压成套装置系列
无功补偿元件系列
箱式变电站系列
智能透明电表箱系列
低压成套
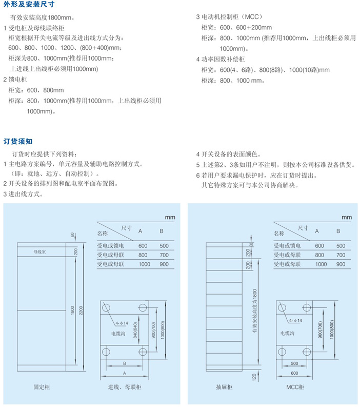
GCK型低压抽出式成套开关设备
产品详情>>
产品
电话
地址
返回
网站首页
走进东跃
公司简介
企业荣誉
企业文化
服务承诺
资料下载
联系方式
厂房设备
产品中心
不锈钢…
电缆分…
高低压…
无功补…
箱式变…
智能透…
新闻中心
新闻中心
下载手机版